粉料旋轉閥RFS的結構

產品特點及其作用
| 可選配置
| ||
? | 方口口徑從150mm到400mm連續6個型號,對應高度從300mm 到640mm | ? | 殼體和邊蓋材質可以是不銹鋼304,不銹鋼316,不銹鋼304L, 不銹鋼316L |
| ? | 材質為不銹鋼304 | ? | 葉片可選6葉片,10葉片,12葉片 |
| ? | 法蘭鉆孔尺寸標準: GB PN10, ANSI 150#, DIN PN10, JIS10K | ? | 轉子耐磨葉尖可替換 |
| ? | 良好的間隙控制讓閥門具有很高的輸送效率和較少的空氣泄漏量 | ? | 葉輪類型:閉式轉子,圓齒型轉子,小圓底轉子,可調、可換轉子 |
| ? | 標配外置軸承,并有各種不同的軸封形式適用于不同的工作環境 | ? | 殼體內部電鍍鉻硬化處理,內襯碳化物耐磨層。 |
| ? | 在不超過250°C的高溫下依然有良好的工作表現 | ? | 軸封根據需要,采用氣封貨密封環 |
| ? | 工作壓力不超過1.5bar (21PSI) | ? | 殼體排氣孔 |
| ? | 標配開式8葉片 | ? | 配件:物料加速室,接近開關,排氣倉,氣體吹掃系統 |
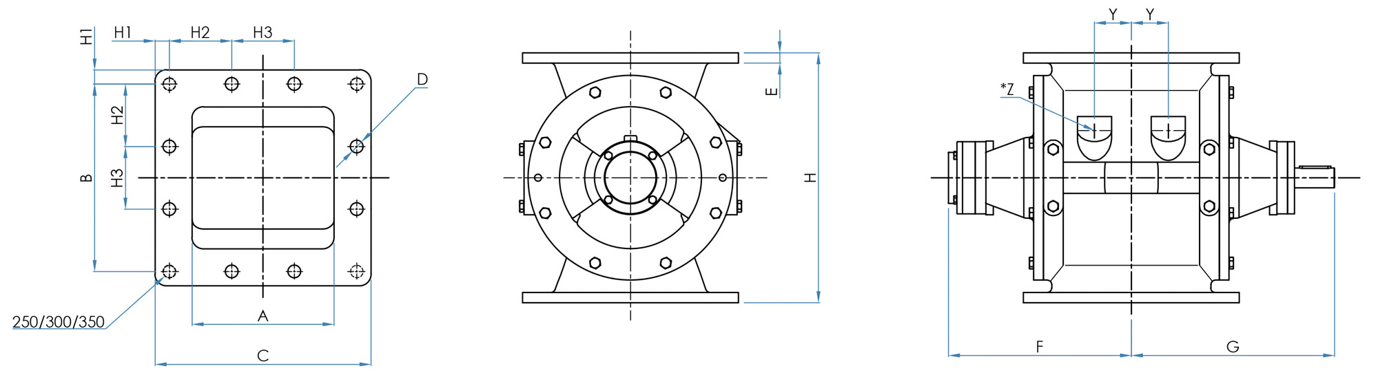
RFS的尺寸

技術參數
型號 | 容積 L/Rev | 進料口/出料口尺寸 | 其他尺寸 | |||||||||||
A | B | C | D | H1 | H2 | H3 | E | H | F | G | Y | *Z | ||
RFS 150 | 4 | 150 | 220 | 260 | 8 x ? 22 | 60 | 279 | 8 x ? 22.2 | 15 | 320 | 245 | 265 | 37.5 | 1" |
RFS 200 | 10 | 200 | 280 | 320 | 8 x ? 22 | 80 | 343 | 8 x ? 22.2 | 15 | 380 | 275 | 305 | 55 | 1?" |
RFS 250 | 18 | 250 | 330 | 380 | 8 x ? 22 | 25 | 406 | 8 x ? 25.4 | 18 | 440 | 322 | 355 | 65 | 1?" |
RFS 300 | 30 | 300 | 390 | 440 | 8 x ? 22 | 25 | 483 | 8 x ? 25.4 | 23 | 520 | 365 | 405 | 85 | 1?" |
RFS 350 | 45 | 350 | 450 | 510 | 8 x ? 22 | 30 | 533 | 8 x ? 28.6 | 25 | 580 | 403 | 445 | 90 | 1?" |
RFS 400 | 65 | 400 | 500 | 560 | 8 x ? 24 | 30 | 597 | 8 x ? 28.6 | 25 | 640 | 433 | 475 | 105 | 1?" |
*圖形尺寸單位為毫米,廠家保留技術修改的權利 | ||||||||||||||
