星形給料器RVB的結構

產品特點及其作用
| 可選配置
| ||
? | 口徑從150mm到300mm連續4個型號,對應高度從300mm到 520mm | ? | 殼體和邊蓋材質可以是不銹鋼304,不銹鋼316,不銹鋼304L, 不銹鋼316L |
? | 材質為不銹鋼304 | ? | 葉片可選6葉片,10葉片,12葉片 |
? | 防切料入口形狀設計,即使上游充滿物料也可安全啟動 | ? | 葉輪類型:圓齒型轉子,小圓底轉子,可調、可換轉子 |
? | 加大的進料口讓閥門具有強的輸送能力 | ? | 轉子耐磨葉尖可替換 |
? | 法蘭鉆孔尺寸標準:GB PN10, ANSI 150#, DIN PN10, JIS10K | ? | 殼體內部電鍍鉻硬化處理,內襯碳化物耐磨層。 |
? | 良好的間隙控制讓閥門具有很高的輸送效率和較少的空氣泄漏量 | ? | 軸封根據需要,采用氣封或迷宮密封環 |
? | 標配外置軸承,并有各種不同的軸封形式適用于不同的工作環境 | ? | 殼體排氣孔 |
? | 在不超過250°C的高溫下依然有良好的工作表現 | ? | 配件:物料加速室,接近開關,排氣倉,氣體吹掃系統 |
? | 工作壓力不超過1.5bar (21PSI) | ||
? | 標配閉式8葉片 | ||
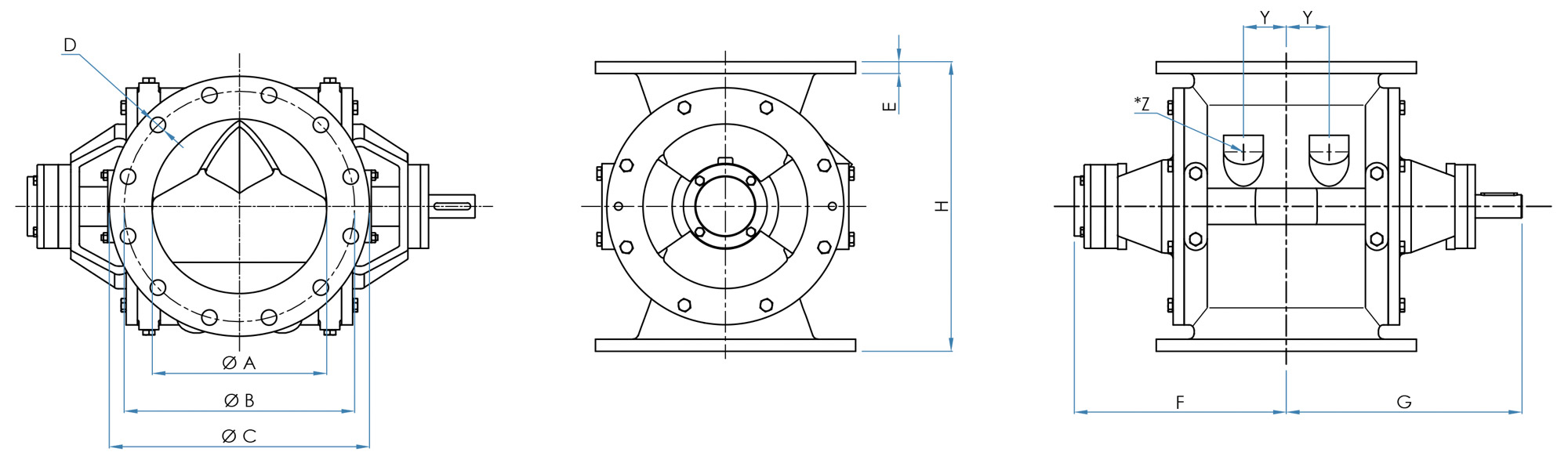
RVB的尺寸

技術參數
型號 | 容積 L/Rev | 進料口/出料口尺寸 | 其他尺寸 | |||||||||||
? A | ? B DIN | ? C DIN | D DIN | ? B ANSI | ? C ANSI | D ANSI | E | H | F | G | Y | *Z | ||
RVB 150 | 4 | 150 | 240 | 285 | 8 x ? 22 | 241.3 | 279 | 8 x ? 22.2 | 15 | 320 | 245 | 265 | 37.5 | 1" |
RVB 200 | 10 | 200 | 295 | 340 | 8 x ? 22 | 298.4 | 343 | 8 x ? 22.2 | 15 | 380 | 275 | 305 | 55 | 1?" |
RVB 250 | 18 | 250 | 350 | 395 | 8 x ? 22 | 361.9 | 406 | 8 x ? 25.4 | 18 | 440 | 322 | 355 | 65 | 1?" |
RVB 300 | 30 | 300 | 400 | 445 | 8 x ? 22 | 431.8 | 483 | 8 x ? 25.4 | 23 | 520 | 365 | 405 | 85 | 1?" |
*圖形尺寸單位為毫米,廠家保留技術修改的權利 | ||||||||||||||
